D341F46襯氟法蘭蝶閥(中線)
產品概況
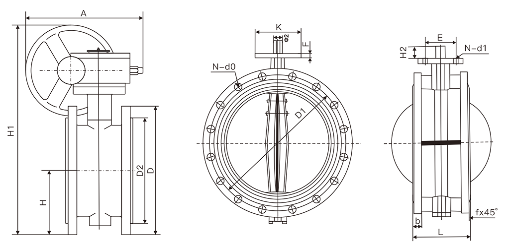
產品尺寸:D341F46
公稱通徑:DN50~1200mm
公稱壓力:PN0.6~1.6MPa
適用溫度:丁腈橡膠:-40℃~90℃;氟橡膠:-20℃~200℃
適用介質:水、空氣、天然氣、油品及弱腐蝕性流體
驅動方式:蝸輪傳動、電動、氣動、液動
閥體材質:WCB、QT450-10、HT200、HT250
制造標準:GB/T 122387-89
法蘭標準:GB9113-2000、GB17241.6-1998
結構長度標準:GB12221-89
檢驗標準:GB/T 13927-92
一、D341F46襯氟法蘭蝶閥(中線)簡述
百鋼閥門集團生產銷售的D341F46襯氟法蘭蝶閥(中線)采用帶有球形密封表面的襯氟塑料包襯蝶板,配以閥座基部的硅橡膠襯墊調節閥門的密封性能;該閥門操作輕便,嚴密的密封性能,較長的使用壽命;可作快速切斷或調節流量之用。適用于要求可靠密封和良好調節特性的場合。閥體采用分體式,閥軸現端的密封由蝶板與閥座之間的旋轉基面加氟橡膠來控制,從而達到產品結構緊湊、外形美觀、工藝合理、性能可靠。保證閥軸不與腔內流體介質接觸,更換閥軸時非常方便,閥門不需要拆離離管道即可完成。產品廣泛適用于各種不同類型工業管道中液體和氣體(包括蒸氣)的輸送,特別是具有嚴懲腐蝕性介質的使用場合如硫酸、氫氟酸、磷、酸、LU氣、強堿,王水等具有強腐蝕的介質。
二、D341F46襯氟法蘭蝶閥(中線)主要技術參數
| 公稱通徑DN(mm) | 50~1200 | 50~1600 | |
| 公稱壓力PN(MPa) | 0.6 | 1.0 | 1.6 |
| 密封試驗 (MPa) | 0.66 | 1.1 | 1.76 |
| 強度試驗 (MPa) | 0.9 | 1.5 | 2.4 |
| 適用溫度 | 丁腈橡膠:-40℃~90℃;氟橡膠:-20℃~200℃ | ||
| 適用介質 | 水、空氣、天然氣、油品及弱腐蝕性流體 | ||
| 泄漏率 | 符合GB/T13927-92標準 | ||
| 驅動方式 | 蝸輪傳動、電動、氣動、液動 | ||
三、D341F46襯氟法蘭蝶閥(中線)主要零部件材料
| 零件名稱 | 材料 |
| 閥體 | WCB、QT450-10、HT200、HT250 |
| 蝶板 | WCB、QT450-10、HT200、HT250 |
| 閥軸 | 2Cr13 |
| 密封圈 | 丁腈耐油橡膠 |
| 填料 | 柔性石墨 |
四、D341F46襯氟法蘭蝶閥(中線)主要外形連接尺寸 單位:mm

| DN | L | H | H1 | A | B | ФD | ||
| 0.6MPa | 1.0MPa | 1.6MPa | ||||||
| 50 | 43 | 77 | 309 | 180 | 200 | 88 | 99 | 99 |
| 65 | 46 | 85 | 320 | 180 | 200 | 108 | 118 | 118 |
| 80 | 46 | 95 | 340 | 180 | 200 | 124 | 132 | 132 |
| 100 | 52 | 105 | 360 | 180 | 200 | 144 | 156 | 156 |
| 125 | 56 | 129 | 405 | 180 | 200 | 174 | 184 | 184 |
| 150 | 56 | 132 | 450 | 270 | 280 | 199 | 211 | 211 |
| 200 | 60 | 165 | 607 | 270 | 280 | 254 | 266 | 266 |
| 250 | 68 | 197 | 659 | 270 | 280 | 309 | 319 | 319 |
| 300 | 78 | 234 | 742 | 380 | 420 | 363 | 370 | 370 |
| 350 | 78 | 283 | 792 | 380 | 420 | 413 | 429 | 429 |
| 400 | 102 | 325 | 887 | 450 | 470 | 463 | 480 | 480 |
| 450 | 114 | 369 | 935 | 480 | 490 | 518 | 530 | 548 |
| 500 | 127 | 404 | 985 | 480 | 490 | 568 | 582 | 609 |
| 600 | 154 | 470 | 1243 | 480 | 490 | 667 | 682 | 720 |
| 700 | 165 | 503 | 1346 | 640 | 660 | 772 | 794 | 794 |
| 800 | 190 | 571 | 1466 | 640 | 660 | 878 | 901 | 901 |
| 900 | 203 | 621 | 1565 | 750 | 860 | 978 | 1001 | 1001 |
| 1000 | 216 | 702 | 1781 | 850 | 900 | 1078 | 1112 | 1112 |
| 1200 | 254 | 818 | 1965 | 850 | 900 | 1295 | 1328 | 1328 |
溫馨提示:
本文中所有文字、數據、圖片均只適用于參考。需要查看更多的D341F46襯氟法蘭蝶閥(中線) 性能參數、結構尺寸參數、價格等詳情,或要求高質量印刷樣本,請聯系我們。